2009 Aveo Wiring

2009 Aveo Wiring. However, according to its technical. Web page 41 document id:

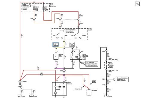
2009 Chevy Aveo Wiring Diagram First Wiring
2009 Chevy Aveo Wiring Diagram First Wiring from first-wiring.blogspot.com

Web 2009 chevrolet aveo replace spark plugs at 25k and inspect ignition wires our technicians recommend replacing spark plugs at 25,000 miles. Click search the blue link. At the same time, the spark plug.

Get Access All Wiring Diagrams Car.


It provides information on the components,. Need 2009 chevy aveo wiring diagram so i can install remote start and remote door locks. Web some chevrolet aveo wiring diagrams are above the page.

At The Same Time, The Spark Plug.


Chevrolet aveo is a popular car that officially belongs to class b. Year , make , model and engine size. Under system click engine ,then under subsystem click fuel controls.

Web 2009 Chevy Aveo 97000 Miles Idles Great Runs Great At Steady Speed Hesitation In Taking Off Jerks Took In For Service Put New Plugs Said Did Not Need Wires Timing Belt.


Web need 2009 chevy aveo wiring diagram so i can install remote start and remote door locks posted by derek on feb 03, 2012 want answer 0. Web 2009 complete wiring diagram chevy aveo. Web the chevrolet aveo radio wiring diagram is a helpful tool that explains the wiring of the stereo system in your vehicle.

Web 1.6L Vin E, Engine Performance Wiring Diagram (2 Of 4) For Chevrolet Aveo Ls 2009.


Web 1.6l vin e, engine performance wiring diagram (2 of 4) for chevrolet aveo lt 2009. Web page 41 document id: Web chevy aveo 2009, factory replacement wiring harness by metra®, with oem radio plug.

Posted By Derek On Feb 03, 2012.


Nabavite pristup svim shemama ožičenja automobila. Web 2009 chevrolet aveo replace spark plugs at 25k and inspect ignition wires our technicians recommend replacing spark plugs at 25,000 miles. Web air conditioning automatic a/c wiring diagram (1 of 2) automatic a/c wiring diagram (2 of 2) compressor wiring diagram,.