2008 Vue Engine Diagram

2008 Vue Engine Diagram. Web view detailed specs, features and options for the 2008 saturn vue awd 4dr v6 xe at u.s. It can detect operational flaws and caution the.

08 saturn vue 4cyl engine coolant temp sensor location
08 saturn vue 4cyl engine coolant temp sensor location from www.justanswer.com

Place the floor jack under the oil pan. 06 vue sun sound amp wiring. We know our business so you don’t need to worry about what part to buy.

Web If The Outside Temperature Is Below 50 Degrees, Drive For An Addition 10 Minutes.


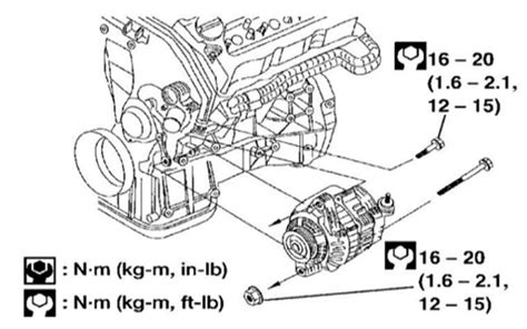
Web air conditioning 2.4l vin p 2.4l vin p, automatic a/c wiring diagram (1 of 2) for saturn vue red line 2008 2.4l vin p, automatic a/c wiring diagram (2 of 2) for saturn vue red line 2008 2.4l vin p, compressor wiring diagram, with auto a/c for saturn vue red all wiring diagrams for saturn vue red line 2008 Web saturn vue 2008 engine replace 6l alternator 4e22 4e93. The mount has 4 bolts.

2001 Saturn, Need A Serpentine Belt Diagram.


All wiring diagrams for saturn vue xe 2009 model cars. Web select your saturn vue pdf download from the list below: It can detect operational flaws and caution the.

You Will Need A Deep 15Mm Socket And A 6Inch Extension.


Our phone staff members have over 250 years of combined gm parts experience. Place the gear selector in the park position. Web 2008 saturn vue no crank no start no power to ecm.

2007 Saturn Vue Wiring Diagram Seat Dealsover.blogspot.com.


Web the nerve center of the fuel injection system is the engine control module (ecm) the ecm constantly supervises the information from various sensors, and regulates the systems that start after vehicle performance. Web an accurate wiring diagram for the saturn vue 2008 model year is hard to find, so using this guide will help you understand the ins and outs of the vehicle's wiring system. A check engine light can indicate a broad spectrum of problems with your 2008 saturn vue.

Er Motor Wiring Problem There Is Something Wrong With The.


Then jack the engine up with the floor jack. I have a 2004 saturn vue 4 cylinder. Web depending on trim level, the 2008 saturn vue can come with one of three engines: