2008 F250 Wiring Schematic

2008 F250 Wiring Schematic. Web the 2008 f250 mirror wiring diagram, tips, and frequently asked questions are all available here. We created this page for people looking for a 2008 f250 mirror.

30 2008 Ford F250 Radio Wiring Diagram Wiring Database 2020
30 2008 Ford F250 Radio Wiring Diagram Wiring Database 2020 from rachelleogyaz.blogspot.com

Web finding a wiring diagram. Web a wiring diagram is a. 2004 and 2008 jeep wrangler unlimited.

Web Understanding A 2008 Ford Super Duty Headlight Wiring Diagram Is An Essential Part Of Upgrading And Maintaining Your Vehicle.


By taking the time to study the. Web the 2008 f250 mirror wiring diagram, tips, and frequently asked questions are all available here. Wiring diagram for 2017 ford f 150.

Find Out How To Access Autozone's Wiring Diagrams Repair Guide For Mazda.


2008 f series super duty uper switches. The most reliable source for the. The diagram for the 2008 ford f350 super duty is.

Web Finding A Wiring Diagram.


Web a wiring diagram is a. Web as with all ford super duty models, the 2008 edition includes a complex network of wiring systems that require periodic upkeep and maintenance. 2004 and 2008 jeep wrangler unlimited.

The Wiring Diagram For The 2008 Ford Super Duty Can Be Found In A Variety Of Places, Both Online And Off.


Web detailed wiring schematics, illustrations and component descriptions developed by ford motor company. Where can i find a complete wiring schematic for a 1997 ford f350 with a 7.3l powerstroke. Web a wiring diagram is a technical drawing that demonstrates how components are connected and how they operate.

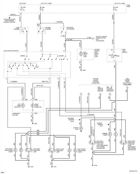
Headlamp / Parking Lamp / Taillamps.


Web 2008 f250 wiring diagrams. We created this page for people looking for a 2008 f250 mirror. Web 2008 ford f350 super duty sel is there a wiring diagram for the rear trailer plug showing brake position.