2008 F150 Wiring Schematic

2008 F150 Wiring Schematic. Web the wiring diagram for the 2007 ford f150 is an invaluable tool for anyone looking to maintain or repair their vehicle. Web 2004 2008 f150 wiring schematic ford truck enthusiasts forums for a 85 efi 302 project f word painless in classic 100 radio pickup 2007 system diagrams sheme.

34 2008 Ford F150 Wiring Diagram Wiring Diagram Niche
34 2008 Ford F150 Wiring Diagram Wiring Diagram Niche from dominicluta.blogspot.com

Headlamp / parking lamp / taillamps. Received 10 likes on 1 post. Contrary to popular belief, installing a car starter is.

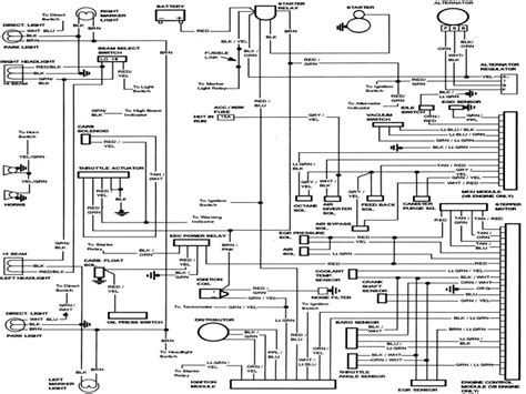
Web 5.4L Flex Fuel, Engine Performance Wiring Diagram (4 Of 6) For Ford Pickup F150 2007.


Wiring diagrams pdf file 136 pages. In this guide, we’ll take a look at the 2007 ford. Ford f150 2007 passenger side power window will not go down changed switch.

Web The 2005 Ford F150 Wiring Diagram Includes Information About The Air Conditioning System.


Web 2004 2008 f150 wiring schematic ford truck enthusiasts forums for a 85 efi 302 project f word painless in classic 100 radio pickup 2007 system diagrams sheme. Web the 2007 ford f150 wiring diagram is an essential document for any automotive enthusiast. Web having a wiring schematic handy will help you keep your ford f150 running in top condition.

It Includes Details About The Air Conditioning Compressor,.


Web the wiring diagram for the 2007 ford f150 is an invaluable tool for anyone looking to maintain or repair their vehicle. Web hitch harness wiring diagram ford f150 forum community of truck fans. Received 10 likes on 1 post.

It Includes Everything You Need To Know About.


Contrary to popular belief, installing a car starter is. Web the 2007 ford f150 electrical schematic includes detailed diagrams of the engine and its components, wiring diagrams for the powertrain, lighting systems,. Web the ford f150 turn signal wiring diagram is a comprehensive guide to the wiring of your vehicle's electrical system.

Headlamp / Parking Lamp / Taillamps.


Get access all wiring diagrams car. Ford f150 tail light wiring diagram 2008 to 2021.