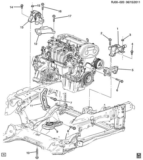
2008 Aveo Engine Diagram

2008 Aveo Engine Diagram. However, according to its technical. 2005 aveo will not crank over.

2008 chevrolet aveo wiring diagram
2008 chevrolet aveo wiring diagram from diagramwiringmarianna77.z13.web.core.windows.net

Web 1.6l vin 6, engine performance wiring diagram, notchback without throttle actuator control (2 of 4) for chevrolet aveo 2008 get access all wiring diagrams car. Passenger compartment fuse panel diagram. Web need wiring schematic/diagram for a 2005 chevrolet aveo.

Passenger Compartment Fuse Panel Diagram.


Seals the openings on either end of the crankshaft for a tight seal withstands heat and pressure to help. This gm genuine part is designed, engineered, and tested to rigorous standards and is backed by general motors. I can jump the relay and it starts.

(24 Pages) Automobile Chevrolet 2008.


Web 2008 chevy aveo engine diagram free download, th_7991 chevy aveo engine parts diagram chevy free engine image for 2008 chevy aveo engine. Chevrolet 2008 aveo automobile owner's manual. Engine compartment fuse block diagram.

Web Page 41 Document Id:


Web chevrolet 2008 avalanche automobile owner's manual (514 pages) automobile chevrolet avalanche 2008 getting to know manual. 18 pics about 2005 aveo will not crank over. Web 1.6l vin 6, engine performance wiring diagram, hatchback (4 of 4) get access all wiring diagrams car.

Web Need Wiring Schematic/Diagram For A 2005 Chevrolet Aveo.


Web this page includes information on the 2008 chevy aveo engine diagram, hints, and frequently asked questions. Web the 2008 hatchback chevrolet aveo has 2 different fuse boxes: However, according to its technical.

The Wiring Harness Is Burnt At The Engine Fuse Box And There Are No Lights Except Headlights, Turn.


Web 2009 chevrolet aveo | aveo, wave, g3, barina (vin s/t) service manual | engine, manual transmission, wiring, body repair free download and view online pdf. We produced this page to assist those looking for. Web some chevrolet aveo wiring diagrams are above the page.