2007 Chevy Radio Schematic

2007 Chevy Radio Schematic. Web this page contains information on the 2007 chevy tahoe radio wiring diagram, tips, and frequently asked questions. Web feel free to use any 2007 chevrolet impala radio wire diagram that is listed here but keep in mind that all information here is provided as is without any warranty of any kind.

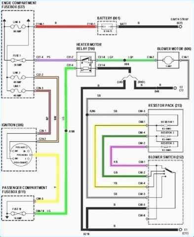
2007 Chevy Impala Radio Wiring Diagram Wiring Diagram
2007 Chevy Impala Radio Wiring Diagram Wiring Diagram from 2020cadillac.com

Test out your new radio to make sure that it is working properly. Get access all wiring diagrams car. View online or, if available, order printed copies for an additional fee.

It Provides Information On The Components,.


Left rear speaker positive wire (+), brown ; Web 20 unique chevy traverse radio wiring diagram. 20 unique chevy traverse radio wiring diagram.

View Online Or, If Available, Order Printed Copies For An Additional Fee.


Web web feel free to use any 2007 chevrolet aveo radio wire diagram that is listed here but keep. I need the radio wiring diagram for a 2001 chevy www.2carpros.com. 14 pin gm 15488568, 7283.

Get Access All Wiring Diagrams Car.


Doctor radio wire harness and colors. We created this page to help those. Knowing your 2007 chevrolet hhr.

Knowing Your 2007 Chevrolet Hhr Radio Wire Colors Makes It Easy To Change Your Car Stereo.


2004 silverado headlight wiring diagram. Web 5.3l vin 3, engine performance wiring diagram (3 of 4) for chevrolet silverado 2007 1500. Web 2007 chevrolet hhr car radio wiring.

Get Access All Wiring Diagrams Car.


Web this page consists of information on the 2007 chevy tahoe radio wiring diagram, hints, and frequently asked questions. Web 5.3l vin 0, engine performance wiring diagram (1 of 5) for chevrolet avalanche 2007. Web diagram silverado wiring chevy 2004 ask 1500 schematic question own cab crew 2005.